-
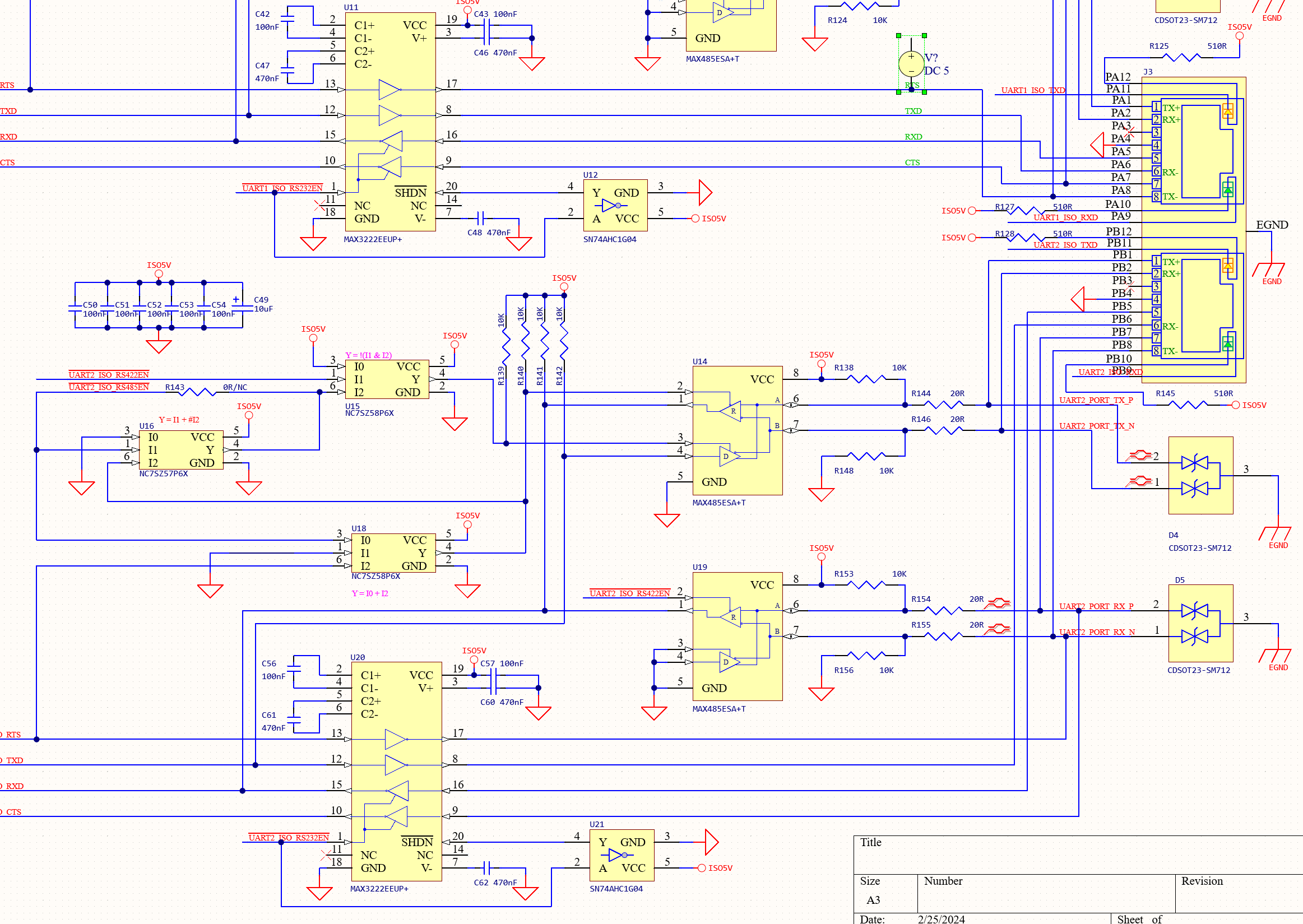
Hardware Design
Circuit Schematic Design
PCB Layout Design
Engineering Prototype
-
Software Development
Software Design/Test
Embedded System Design
Dev Ops
-
Enclosure Design
Enclosure/Housing Deasign
Industrial Design
Mechanical Design
-
Engineering Tests
Product Reliability/QA Test
Functional Test
Compliance Testing
-
Manufacturing Services
DFx Review
Supply Chain Solutions
Box Build Assembly














